- 首页
- 产品目录
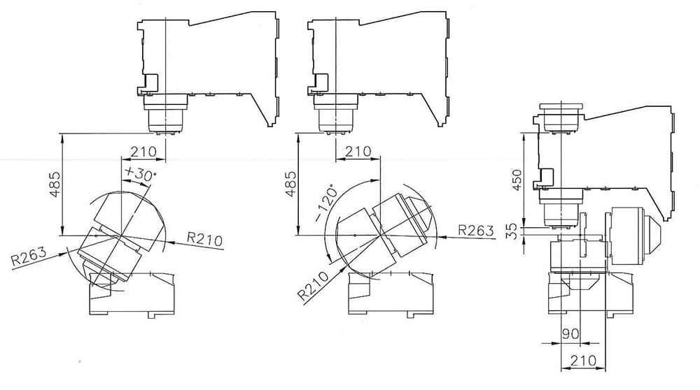
- C系列五轴加工中心机
- C20-5U/5A
C20-5U/5A
C20-5U/5A 规格
可将下方点选取消後留下自己需求的规格
C20-5U/5A
C30-5U/5A
C40-5U/5A
C50-5U/5A
| 型号 | C20-5U/5A | C30-5U/5A | C40-5U/5A | C50-5U/5A |
|---|---|---|---|---|
| 工作台 | ||||
| 旋转工作台 | Ø210 mm | Ø320 mm | Ø410 mm | Ø500 mm |
| T型槽(间距x槽数) | 12H7 x 4 | 12H7 x 4 | 14H7 x 8 | 14H7 x 8 |
| 最大工件 | Ø300 x H200 mm | Ø400 x H300 mm | Ø500 x H300 mm | Ø620 x H300 mm |
| 最大工件重量 | 75kg | 100kg | 200kg | 300kg |
| 行程 | ||||
| X/Y/Z轴行程 | 500mm x 420mm x 450 mm | 610mm x 610mm x 510 mm | 760mm x 700mm x 610 mm | 810mm x700mm x 610 mm |
| A 轴行程 | +30˚~-120˚ | +30˚~-120˚ | +30˚~-120˚ | +30˚~-120˚ |
| C 轴行程 | 360˚(Continous) | 360˚(Continous) | 360˚(Continous) | 360˚(Continous) |
| 主轴鼻端至工作台面距离 | 30~480mm | 20~530 mm | 30~640 mm | -20~590mm |
| 進給 | ||||
| 三轴滚珠螺杆 | X/Y:Ø36mm/P12mm Z:Ø40mm/P12mm |
X/Y/Z: Ø40mm/P12mm | X/Y/Z: Ø40mm/P12mm | X/Y/Z: Ø40mm/P12mm |
| 三轴线性滑轨 | X:30mm滚柱<4滑块> Y/Z:35mm滚柱<6滑块> |
X:35mm滚柱 Y/Z:45mm滚柱 <6滑块> |
X/Y/Z:45mm滚柱 <6滑块> | X/Y/Z:45mm滚柱 <6滑块> |
| 三轴传动方式 | 直结式 Direct drive | 直结式 Direct drive | 直结式 Direct drive | 直结式 Direct drive |
| X/Y/Z轴快送速度 | 32/32/32 m/min | 32/32/32 m/min | 32/32/32 m/min | 32/32/32 m/min |
| A/C轴快送速度 | 22.2/33.3 rpm/min | 25 / 25 rpm/min | 11.1 / 16.6 rpm/min | 11.1 / 16.6 rpm/min |
| X/Y/Z轴加速度 | 3 / 3 / 3 m/s² | 3 / 3 / 3 m/s² | 2 / 2 / 3 m/s² | 2 / 2 / 3 m/s² |
| X/Y/Z轴切削速度 | 12 m/min | 12 m/min | 12 m/min | 12 m/min |
| A/C轴切削速度 | 2000˚ /min | 2000˚ /min | 2000˚ /min | 2000˚ /min |
| 主軸 | ||||
| 主轴端孔斜度 | BBT40/CAT40/DIN40/HSK-A63 | BBT40/CAT40/DIN40/HSK-A63 | BBT40/CAT40/DIN40/HSK-A63 | BBT40/CAT40/DIN40/HSK-A63 |
| 主轴转速 | 12000rpm | 12000rpm | 12000rpm | 12000rpm |
| 主轴传动方式 | 直结式 Direct drive | 直结式 Direct drive | 直结式 Direct drive | 直结式 Direct drive |
| 主轴冷却 | 油冷 | 油冷 | 油冷 | 油冷 |
| 自动换刀系统 | ||||
| 刀库容量 | 30支刀 | 30支刀 | 30支刀 | 30支刀 |
| 最大刀具重量 | 7 kg/pcs | 7 kg/pcs | 7 kg/pcs | 7 kg/pcs |
| 最大刀径(无相邻刀) | Ø76mm(Ø150mm) | Ø76mm(Ø150mm) | Ø76mm(Ø150mm) | Ø76mm(Ø150mm) |
| 最大刀長 | 250mm | 300 mm | 300 mm | 300 mm |
| 換刀(CTC)時間 | 5 sec.(F) | 5 sec.(F) | 6 sec.(F) | 6 sec.(F) |
| 換刀(Tool to Tool)時間 | 1.8 sec.(F) | 1.8 sec.(F) | 1.8 sec.(F) | 1.8 sec.(F) |
| 选刀方式 | 随机记忆 | 随机记忆 | 随机记忆 | 随机记忆 |
| 切削液系統 | ||||
| 水箱容量 | 300 L | 420 L | 420 L | 420 L |
| 切削液泵浦 | 220V 60Hz 0.96kW 2kg/cm²-67L/min 380V 50Hz 0.65kW 1.3kg/cm²-67L/min |
220V 60Hz 1.27kW 3kg/cm²-67L/min 380V 50Hz 0.85kW 2kg/cm²-67L/min |
220V 60Hz 1.27kW 3kg/cm²-67L/min 380V 50Hz 0.85kW 2kg/cm²-67L/min |
220V 60Hz 1.27kW 3kg/cm²-67L/min 380V 50Hz 0.85kW 2kg/cm²-67L/min |
| 冲屑帮浦(水枪) | 220V 60Hz 0.96kW 2kg/cm²-67L/min 380V 50Hz 0.65kW 1.3kg/cm²-67L/min |
220V 60Hz 1.27kW 3kg/cm²-67L/min 380V 50Hz 0.85kW 2kg/cm²-67L/min |
220V 60Hz 1.27kW 3kg/cm²-67L/min 380V 50Hz 0.85kW 2kg/cm²-67L/min |
220V 60Hz 1.27kW 3kg/cm²-67L/min 380V 50Hz 0.85kW 2kg/cm²-67L/min |
| 切削输送机马达 | 220V 60Hz 0.2kW x2 / 0.2kW (卷式/标配) x1 380V 50Hz 0.2kW x2 / 0.2kW (卷式/标配) x1 |
220V 60Hz 0.2kW x2 / 0.4kW (卷式/标配) x1 380V 50Hz 0.2kW x2 / 0.4kW (卷式/标配) x1 |
220V 60Hz 0.2kW x2 / 0.4kW (卷式/标配) x1 380V 50Hz 0.2kW x2 / 0.4kW (卷式/标配) x1 |
220V 60Hz 0.2kW x2 / 0.4kW (卷式/标配) x1 380V 50Hz 0.2kW x2 / 0.4kW (卷式/标配) x1 |
| 其他要項 | ||||
| 动力消耗 | 25 kVA | 30 kVA | 35 kVA | 40 kVA |
| 空压需求 | 6kg/cm² (0.6MPa) | 6kg/cm² (0.6MPa) | 6kg/cm² (0.6MPa) | 6kg/cm² (0.6MPa) |
| 机器重量 | 5500kg | 8200kg | 8800kg | 9200kg |
机器配件
- ─无法选配
- ○特别配件
- ●标准配件
| 型号 ITEM/MODEL | C20-5U/5A | C30-5U/5A | C40-5U/5A | C50-5U/5A |
|---|---|---|---|---|
| 主轴高精密温度控制 | ● | ● | ● | ● |
| 高刚性滚柱线轨(含自润系统) | ● | ● | ● | ● |
| 自动润滑系统(容积式) | ● | ● | ● | ● |
| Z轴无配重系统(刹车马达) | ● | ● | ● | ● |
| 刀臂式30支刀(圆盘式) | ● | ● | ● | ● |
| 主轴环状丶前侧切削冲屑装置 | ● | ● | ● | ● |
| 切削吹气/主轴吹气/主轴正气压 | ● | ● | ● | ● |
| 机台清洗水枪丶气枪装置 | ● | ● | ● | ● |
| 胶合强化安全玻璃视窗 | ● | ● | ● | ● |
| 卷式排屑装置 | ● | ● | ● | ● |
| 刚性攻牙 | ● | ● | ● | ● |
| 自动睡眠断电系统 | ● | ● | ● | ● |
| 三色警示灯 | ● | ● | ● | ● |
| 工具箱 | ● | ● | ● | ● |
| 日光灯装置 | ● | ● | ● | ● |
| 乙太网路传输 | ● | ● | ● | ● |
| A轴海德汉角度编码器 | ● | ● | ● | ● |
| 刀长自动量测系统(BLUM) | ● | ● | ● | ● |
| 工件量测(TC62) | ○ | ○ | ○ | ○ |
| 三轴螺杆冷却装置 | ○ | ○ | ○ | ○ |
| 履带排屑装置 | ─ | ○ | ○ | ○ |
| 刮钣式排屑装置 | ○ | ○ | ○ | ○ |
| 集屑车 | ○ | ○ | ○ | ○ |
| 刀臂式48/60支刀(运动场型) | ─ | ○ | ○ | ○ |
| 海德汉3轴绝对式0.1μm光学尺并附吹气装置 | ○ | ○ | ○ | ○ |
| 主轴中心出水系统(20bar/50bar) | ○ | ○ | ○ | ○ |
| 左右冲屑装置 | ○ | ○ | ○ | ○ |
| 油雾回收系统 | ○ | ○ | ○ | ○ |
| 圆盘式油水分离装置 | ○ | ○ | ○ | ○ |
| 变压器 | ○ | ○ | ○ | ○ |
| 稳压器 | ○ | ○ | ○ | ○ |
| C轴海德汉角度编码器 | ○ | ○ | ○ | ○ |
| 15000rpm直结式主轴(含油气主轴+水冷式冷却系统) | ○ | ○ | ○ | ○ |











